Tiene la función de reducir el riesgo de accidentes mediante el óptimo control del proceso de frenado.
Durante un frenado que presente un riesgo de bloqueo de una o varias ruedas, el ABS tiene como función adaptar el nivel de presión del liquido en cada freno de rueda con el fin de evitar el bloqueo y optimizar así la Estabilidad y Dirigibilidad durante el proceso de frenado, reduciendo además la Distancia de Frenado al máximo posible.
Para cumplir estas exigencias, el ABS debe funcionar de un modo muy rápido y exacto (en décimas de segundo) lo cual no es posible mas que con una electrónica sumamente compleja.
HIDROGRUPO
El hidrogrupo esta formado por un conjunto de motor-bomba, cuatro electroválvulas (dos de admisión y dos de escape), y un acumulador de baja presión.
A- Canalización de llegada de la bomba de frenos
(circuito primario).
B- Canalización de llegada de la bomba de frenos
(circuito secundario).
C- Canalización de salida del hidrogrupo que va a
la rueda delantera izquierda.
D- Canalización de salida del hidrogrupo que va a
la rueda trasera derecha.
E- Canalización de salida del hidrogrupo que va a
la rueda trasera izquierda.
F- Canalización de salida del hidrogrupo que va a
rueda delantera derecha.
(circuito primario).
B- Canalización de llegada de la bomba de frenos
(circuito secundario).
C- Canalización de salida del hidrogrupo que va a
la rueda delantera izquierda.
D- Canalización de salida del hidrogrupo que va a
la rueda trasera derecha.
E- Canalización de salida del hidrogrupo que va a
la rueda trasera izquierda.
F- Canalización de salida del hidrogrupo que va a
rueda delantera derecha.
- Conjunto motor-bomba: Esta constituido por un motor eléctrico y una bomba hidráulica de doble circuito, controlados eléctricamente por la Unidad Electrónica de Mando (o Calculador).
La función del conjunto es rechazar el liquido de frenos en el curso de la fase de regulación desde los bombines a la bomba de frenos, siendo perceptible por el conductor por el movimiento del pedal de freno.
- Electroválvulas: están constituidas de un solenoide y de un inducido móvil que asegura las funciones de apertura y cierre.
La posición de reposo es asegurada por la acción de un muelle incorporado. Todas las entradas y salidas de las electroválvulas van protegidas por unos filtros.
A fin de poder reducir en todo momento la presión de los frenos, independiente del estado eléctrico de la electroválvula, se ha incorporado una válvula anti-retorno a la electroválvula de admisión. La válvula se abre cuando la presión de la "bomba de frenos" es inferior a la presión del estribo. Por Ejemplo: al dejar de frenar cuando el ABS esta funcionando.
El circuito de frenado esta provisto de dos electroválvulas de admisión abiertas en reposo y otras dos electroválvulas de escape cerradas también en reposo. La acción separada o simultanea de éstas es la que permite modular la presión en los circuitos de frenado.
- Acumulador de baja presión: Se llena del liquido del freno que transita por la electroválvula de escape, si hay una variación importante de adherencia en el suelo.
El nivel de presión necesario para el llenado del acumulador de baja presión debe ser lo suficientemente bajo para no contrariar la caída de presión en fase de regulación, pero lo suficientemente importante como para vencer en cualquier circunstancia el tarado de la válvula de entrada de la bomba.
Tras la amplificación, las señales de salida aseguran la activación de las electroválvulas y el motor-bomba.
El calculador trabaja según el principio de la redundancia simétrica: los dos microprocesadores son diferentes, tratan la misma información y utilizan un mecanismo de cambio de información jerarquizada para comunicarse. Cada microprocesador esta programado con unos algoritmos de calculo diferentes.
En caso de no conformidad de las señales tratadas, en caso de avería o fallo en la instalación, el calculador limita el funcionamiento de los sistemas según un proceso apropiado. El fallo es señalado por un testigo en el cuadro de instrumentos y puede ser interpretado mediante un útil de diagnostico.
- El primero corresponde a a las acciones que realiza el calculador de manera autónoma para verificar sus periféricos y su propio funcionamiento. O lo que es lo mismo: el autodiagnóstico.
- La otra parte del diagnostico concierne al acceso de las informaciones o datos relativos al estado del sistema por un operador exterior: se trata del diagnostico exterior mediante el aparato de diagnosis:
Cualquier fallo detectado por el autodiagnóstico puede quedar memorizado en una memoria permanente y conservado, incluso si no hay tensión de alimentación.
En la inicialización, al poner el contacto del coche, el calculador efectúa varias tareas destinadas a verificar que el sistema esta en buen estado de arrancar. Son principalmente:
- Test internos del calculador.
- Test de uniones: alimentación, relé de electroválvulas, captadores...
- Interfaces hacia el exterior.
Si estos tests son correctos, esta fase finaliza con el apagado del testigo de fallo al cabo de 2,5 segundos.
Cuando el coche ya esta circulando existen varios tipos de auto-controles: algunos se efectúan de forma permanente, otros necesitan unas condiciones de funcionamiento particular (velocidad superior a un umbral concreto, por ejemplo). En todos los casos, los posibles test se llevan a cabo simultanea y continuamente.
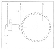
DETECTORES DE REGIMEN (Detectores de RPM en las ruedas)
El conjunto esta compuesto por un captador (1) y un generador de impulsos o rueda fónica (3) fijado sobre un órgano giratorio.
La disposición puede ser axial, radial o tangencial (axial ruedas delanteras, tangencial ruedas traseras).
Para obtener una señal correcta, conviene mantener un entrehierro (2) entre el captador y el generador de impulsos.
El captador va unido al calculador mediante cableado.
El flujo magnético es modificado por el desfile de los dientes del generador de impulsos.
La variación del campo magnético que atraviesa la bobina, genera una tensión alternativa casi sinusoidal cuya frecuencia es proporcional a la velocidad de la rueda.
La amplitud de la tensión en el captador va en función de la distancia entre los dientes y el captador, y de la frecuencia.
Si la fuerza de frenado es menor que la fuerza de adherencia entonces no hay frenado con regulación: el sistema ABS no se activa.
En cambio, si la fuerza de frenado es mayor que la fuerza de adherencia (las ruedas tienden a bloquearse) entonces si hay frenado con regulación, es cuando se activa el sistema ABS.
Cuando tenemos un frenado con regulación distinguiremos tres estados:
- Mantenimiento de presión.
- Disminución de presión.
- Aumento de presión.
El mantenimiento de presión: La electroválvula de admisión se cierra y aísla la bomba de frenos del bombín en la rueda.
La disminución de presión (disminución de la tendencia al bloqueo): Esta fase interviene solo cuando la fase de mantenimiento de presión no ha sido suficiente.
La electroválvula de admisión permanece cerrada. Simultáneamente, la electroválvula de escape se abre y la bomba se pone en funcionamiento. La bajada de presión se efectúa instantáneamente gracias al acumulador de baja presión, cuya capacidad varía.
La acción de la bomba permite rechazar el liquido almacenado en los acumuladores hacia la bomba de frenos.
El aumento de presión (aumento de frenado): La electroválvula de escape se cierra y la electroválvula de admisión se abre. La bomba de frenos esta otra vez unida al bombín de la rueda.
La alimentación hidráulica se efectúa gracias a la bomba de frenos, pero también por medio del motor-bomba (en el caso en el que no este vació el acumulador).
Como el volumen de liquido de freno transportado es por término medio mayor que el el volumen que va de los consumidores hacia los acumuladores de baja presión, estos últimos sirven únicamente a los acumuladores intermediarios para puntas de caudal cortas.
La bomba rechaza el liquido de freno de los acumuladores de baja presión hacia los circuitos de freno.
Según el caudal de la bomba, la posición de los pistones de la bomba de frenos, y por consiguiente, la posición del pedal corresponde a la absorción momentánea del bombín de freno con un cierto decalado.
Según el caudal de la bomba, la posición de los pistones de la bomba de frenos, y por consiguiente, la posición del pedal corresponde a la absorción momentánea del bombín de freno con un cierto decalado.
Por ello, el pedal se encuentra en posición alta durante las presiones bajas y en posición baja durante las presiones altas. Este cambio de presión regular provoca un movimiento del pedal (pulsación) y señala al conductor que esta en el curso de una regulación.
NOTA: Independientemente del estado eléctrico de las electroválvulas, se puede en cualquier momento reducir la presión de frenado soltando el pedal de freno. La disminución de la presión se efectúa por medio de la válvula anti-retorno colocada en paralelo con la válvula de admisión.
NUEVOS SISTEMAS DE FRENADO
Desde entonces, este sistema se ha ido perfeccionando dando lugar a nuevos modelos aún más seguros. Y es que prácticamente la totalidad de los sistemas de ayuda en la conducción se sirven de este sistema, bien complementándolo o utilizando partes de sus componentes como la ECU, Sensores, etc.
Por poner algunos ejemplos:
BAS (Brake Assist System): Ante una situación de peligro, un sensor detecta que hemos pisado rápidamente y con fuerza el freno. En ese momento actúa el servofreno adicional aumentando al máximo la presión de frenado y reduciendo la distancia recorrida.
EBV (Electronic Brake Variation System): A través de un sensor, se regula la frenada entre el eje delantero y trasero según el peso de cada uno, enviando más o menos presión a las ruedas.
SERVOTRONIC: Un nuevo sistema de frenado direccional que se activa al frenar en las curvas. Cuando detecta que las ruedas de un lado giran menos en una curva y hacia dónde se está girando, frena más las ruedas de uno de los lados para conseguir dar un efecto direccional y compensar la inercia del peso y la velocidad.
Por poner algunos ejemplos:
BAS (Brake Assist System): Ante una situación de peligro, un sensor detecta que hemos pisado rápidamente y con fuerza el freno. En ese momento actúa el servofreno adicional aumentando al máximo la presión de frenado y reduciendo la distancia recorrida.
EBV (Electronic Brake Variation System): A través de un sensor, se regula la frenada entre el eje delantero y trasero según el peso de cada uno, enviando más o menos presión a las ruedas.
SERVOTRONIC: Un nuevo sistema de frenado direccional que se activa al frenar en las curvas. Cuando detecta que las ruedas de un lado giran menos en una curva y hacia dónde se está girando, frena más las ruedas de uno de los lados para conseguir dar un efecto direccional y compensar la inercia del peso y la velocidad.
Jesus Llagas (jllagas)





